Sharp logo

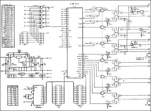
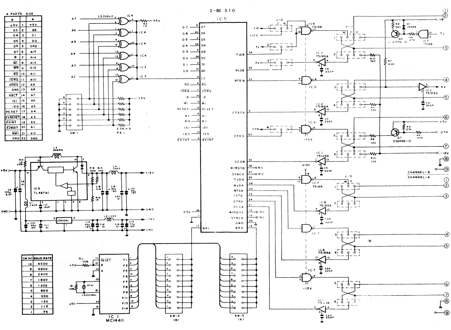
MZ-8BIO3 schematic diagram 

MZ-8BIO3 schematic diagram

Click on the picture to see the diagram in detail ( 173 kb )


Go to the top of this page Home

last updated July 24, 2003
sharpmz@sharpmz.org

khmweb barrierefreies webdesign Berchtesgaden