Sharp logo
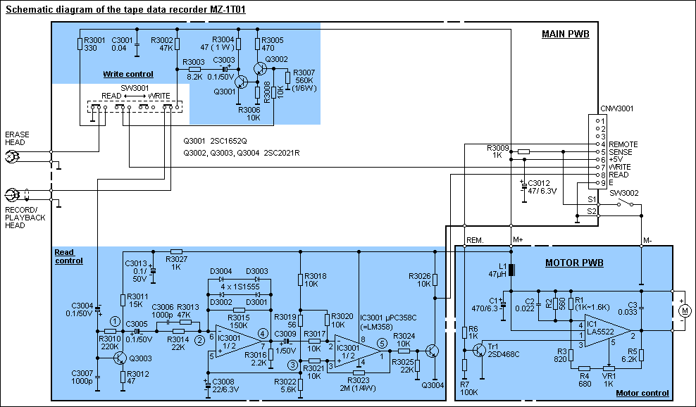
Data recorder MZ-1T01 
( schematic diagram )  
Schematic diagram of the data recorder MZ-1T01



Go to the top of this page Home

last updated August 3, 2002
sharpmz@sharpmz.org