Sharp logo
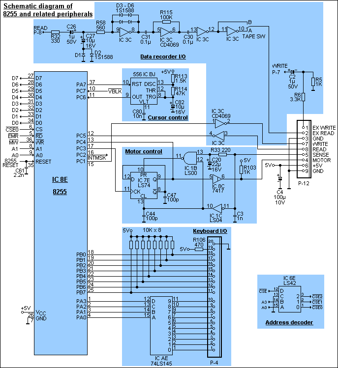
8255 
( and its peripherals; schematic diagram )  
Schematic diagram of the 8255 and its periperals


Go to the top of this page Home

last updated August 4, 2002
sharpmz@sharpmz.org