|
Following the request in the last magazine for someone to write Modem
Software for the MZ700, I thought I would have a go. First I needed
to connect a modem to my MZ700, I borrowed an appropriate modem from
work and set about building a serial interface to connect it to. I then
wrote some simple software which just sent characters to the modem from
the keyboard and received characters from the modem and displayed them
on the screen. The next step is to make the software a little smarter
and easier to use, but wait until the next edition for that, this will
give you plenty of time to acquire a modem and interface.
The interface was made compatible with the TO3-DUAL RS232 serial link
for the MZ700, as sold by Peterson Electronics. This means that anyone
unable to build the interface for themselves can buy a ready made &
working equivalent from Peterson Electronics.
Their address is :-
Peterson Electronics Ltd.,
Academy Street,
Forfar,
Angus DD8 2HA
Tel. FORFAR 62591
|
|
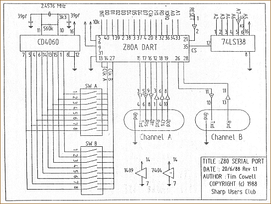
The circuit diagram for the serial interface is on the following page,
it uses very few components, 5 chips, 3 resistors, 2 capacitors, a crystal,
some switches and connectors. It offers two serial interfaces with switchable
baud rates from 75 baud through to 9600 baud. I have designed the interface
to provide one channel with full handshaking support for modems etc.,
and one channel with just transmit and receive data for non-intellegent
devices like printers. This allows you to use a serial printer at the
same time as the modem. If you require more handshake lines on the second
serial port it is simply a matter of adding the drivers for them.

A standard RS232 interface provides drivers capable of switching at
+/- 12V, however this is very complicated to do on an MZ700 because
it only has a 5V power supply. I have therefore given the interface
5 volt drivers, these work with most modem serial devices and should
not therefore be a problem. I have used mine successfully to connect
to an IBM PC, a serial printer and a modem.
|
|
All the components required for the interface are available from MAPLIN
electronics, their catalogues are readily available from leading newsagents
and their prices are quite fair. I assembled mine on a piece of vero-board
148 by 74 mm, using the wire wrapping system with prototyping pen, wire
spools and wiring combs. It is also advisable to use IC sockets for
all the ICs because this makes repairs and testing very much easier.
The voltage on all pins of the circuit can be checked before the ICs
are plugged in, possibly preventing a very expensive mistake. The crystal
is standard microprocessor crystal at 2.4576 MHZ.
Shopping List
1 * Z80A DART & IC socket
1 * CD4060 & IC socket
1 * 74LS138 & IC socket
1 * 7404 & IC socket
1 * MC1489 & IC socket
2 * 39 pf capacitors
1 * 560k resistor
1 * 10k resistor
1 * 3k3 resistor
1 * 2.4576 MHz Crystal
2 * 8 way dip switches
1 * vero-board
2 * 9 way D' type connectors ( male )
1 * 50 way IDC card edge connector
1 * 50 way PCB transition header
1 * approx. 1 ft by 50 way ribbon cable.
|
|
Connection to the MZ700 is made by a 50 way IDC Edge connector plugged
into the Expansion port, a short length of 50 way ribbon cable into
a 50 way PCB transition header soldered onto the interface. The pin
numbers of the 50 way connector are given on page 141 of your MZ700
manual under the table P-11. Power for the
interface can either be taken from the 4 pin
internal plotter connector or one of the
5 pin joystick connectors.
The standard connector for serial interface, is the 25 way D
type, however this is a bit on the large size and a better connector
to use is the 9 way 'D type. Many IBM compatible computers use
this 9 way connector so this seems a reasonable decision, the pins used
are :-
25 way
pin No. |
9 way
pin No. |
Name |
Direction |
|
8
|
1
|
DCD Data carrier detect
|
input from modem |
|
3
|
2
|
Rxd Received data
|
input from modem |
|
2
|
3
|
Txd Transmitted data
|
output to modem |
|
20
|
4
|
DTR Data terminal ready
|
output to modem |
|
7
|
5
|
GND Common signal ground
|
|
|
6*
|
6
|
DSR Data Set ready
|
input from modem |
|
4
|
7
|
Rts Request To Send
|
output to modem |
|
5
|
8
|
Cts Clear To Send
|
input from modem |
|
22*
|
9
|
Ring Indicator |
input from modem |
Connections marked * are not implemented.
|
|
Baud rates are generated by the CD4080 which is an oscillator / counter,
this provides 8 outputs which are various divisions of its 2.4576 MHZ
input clock. By switching one of these outputs to the Z80A DART we can
select the Baud rate. Switch A selects the channel A rate, switch B
selects the channel B rate. It is important that only one switch 1 -
8 is closed at any one time. The switch settings are :-
|
Sw
|
1
|
2
|
3
|
4
|
5
|
6
|
7
|
8
|
|
Baud
|
75
|
150
|
300
|
600
|
1200
|
2400
|
4800
|
9600
|
The most common setting will be 1200 baud ( switch 5 on ), this is
the baud rate of most low cost modems and printers.
These baud rates assume the Z80A DART is programmed for a clock rate
of 16 times, which the sample software will use.
The IO addressing of the DART is a follows :-
| Port Address |
DART Register |
| BC |
Channel A data |
| BD |
Channel B data |
| BE |
Channel A control |
| BF |
Channel B control |
|
|
Assuming you have made your interface or bought one from Peterson Electronics
you will want to test it. This can be done quite simply in BASIC, although
BASIC is not really going to be suitable for the final modem software
because it just isnt fast enough ! To begin with we will try the
interface communicating with itself, to do this connect pins 2 and 3
of the channel A connector together. Now type in the following BASIC
program :-
1 AC = $BE : AD = $BC
2 GOSUB 1000
3 CLS
4 INP#AC, D : IF D > 2 * INT( D / 2 ) INP#AD, D : PRINT CHR$( D );
5 GET A$ : IF ASC( A$ ) <> 0 OUT #AD, ASC( A$)
6 GOTO 4
7 END
1000 OUT #AC, $18 : REM RESET CHANNEL
1010 OUT #AC, $4 : REM SELECT REGISTER 4
1020 OUT #AC, $84 : REM 16 CLOCK, 1 STOP BIT, NO PARITY
1030 OUT #AC, $3 : REM SELECT REGISTER 3
1040 OUT #AC, $C1 : REM RECEIVE 8 BITS PER CHARACTER
1050 OUT #AC, $5 : REM SELECT REGISTER 5
1060 OUT #AC, $68 : REM TRANSMIT 8 BITS PER CHARACTER
1070 OUT #AC, $1 : REM SELECT REGISTER 1
1080 OUT #AC, $0 : REM NO INTERRUPTS
1090 RETURN
Line 1 defines the control register as address BE, and the data register
as address BC. Line 2 calls the initialization subroutine which programs
the Z80A DART. Line 4 tests the DART to see if a character has been
received by it, if so it reads the character into D and displays the
corresponding character. Line 5 tests the keyboard, if a key was pressed
it is sent to the DART which will transmit it. There should be a test
before doing this to make sure the DART is ready, but we are relying
on the fact that there is no handshaking and the DART can send faster
then we can type.
To test channel B connect channel B connector pins 2 and 3, then change
line 1 to 1 AC = $BF : AD = $BD
When you type characters at the keyboard they should be sent through
the DART and displayed on the screen. If you have a serial device, i.e.
a printer, you can try connecting to this, whatever you type will be
sent to the device. You must however check that you are using the correct
baud rate etc.
|