Sharp logo

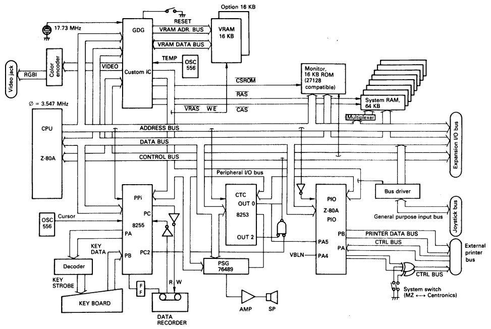
MZ-800 block diagram 

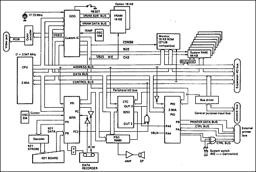
MZ-800 block diagram

Click on the picture to see the diagram in detail ( 86 kb )


Go to the top of this page Home

last updated July 21, 2003
sharpmz@sharpmz.org